Weld neck flanges are a type of flange with a neck, offering excellent transition properties for pipeline connections. By welding directly to the pipe, they provide high sealing integrity and stability. The weld point is positioned far from the joint surface, minimizing thermal deformation during welding. It particularly suitable for pipeline systems experiencing significant pressure fluctuations and frequent temperature changes. Weld neck flanges are widely used in high-pressure, high-temperature, low-temperature pipelines, and those transporting flammable or explosive substances, ensuring long-term stability and safety of pipeline connections.
- Material: Carbon steel, stainless steel, alloy steel, etc
- Size: Common sizes range from 1/2″ to 48″
- Pressure Rating: 150#, 300#, 600#, 900#, etc
- Temperature Range: Suitable for -196°C to 800°C
Introduction
Weld Neck Flanges are essential foundational components in piping systems, commonly used for pipeline connections in industries such as petroleum, natural gas, chemical processing, and power generation. Their superior rigidity and elasticity make them suitable for various high-demand pipelines, particularly those operating under high pressure, high temperature, or cryogenic conditions. Weld Neck Flanges are extensively employed in connecting equipment and pipelines, including heat exchangers, boilers, and cooling systems, meeting stringent sealing and safety requirements.
Weld Neck Flange class 150 lb Specification
Welding neck flanges can be classified by pressure rating into Class 150lb, Class 300lb, Class 400lb, Class 600lb, Class 900lb, Class 1500lb, and Class 2500lb. Below are the specifications for a Weld Neck Flange Class 150 lb.
| Type | Standard and Long Weld Neck Flanges |
|---|---|
| Sealing Surface | Raised Face (RF), Flat Face (FF), Ring Type Joint (RTJ) |
| Size Range | 1/2” – 48” / DN15 – DN1200 |
| Standard | ASME B16.5, ASME B16.47 Series A/Series B |
| Carbon Steel | ASTM A350 LF2, 16Mn |
| Low-Temperature Steel | ASTM A350 LF2, 16Mn |
| Pipeline Steel | ASTM A694 F42 / 46 / 56 / 60 / 65 |
| Alloy Steel | ASTM A182 F11 / 12 / 5 / 9 / 91 / 92 |
| Stainless Steel | ASTM A182 F304/304L/304H, 316/316L, 310S, 317, 347, 904L |
| Duplex Stainless Steel | ASTM A182 F51, F53, F44 |
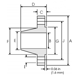
Class 150 lb Socket Weld Flange Dimensions

| NPS | A | B | C | D | E | F | G | H | I | J | W |
| inch | inch | inch | inch | inch | inch | inch | No. of Holes | inch | inch | kg/pc | |
| mm | mm | mm | mm | mm | mm | mm | mm | mm | |||
| 1/2 | 3.500 | 0.620 | 0.440 | 1.880 | 0.840 | 1.190 | 1.380 | 4 | 0.620 | 2.380 | 0.48 |
| 88.90 | 15.70 | 11.20 | 47.80 | 21.30 | 30.20 | 35.00 | 15.70 | 60.45 | |||
| 3/4 | 3.880 | 0.820 | 0.500 | 2.060 | 1.050 | 1.500 | 1.690 | 4 | 0.620 | 2.750 | 0.71 |
| 98.60 | 20.80 | 12.70 | 52.30 | 26.70 | 38.10 | 42.90 | 15.70 | 69.85 | |||
| 1 | 4.250 | 1.050 | 0.560 | 2.190 | 1.320 | 1.940 | 2.000 | 4 | 0.620 | 3.120 | 1.01 |
| 108.0 | 26.70 | 14.20 | 55.60 | 33.50 | 49.30 | 50.80 | 15.70 | 79.25 | |||
| 1¼ | 4.620 | 1.380 | 0.620 | 2.250 | 1.660 | 2.310 | 2.550 | 4 | 0.620 | 3.500 | 1.33 |
| 117.3 | 35.10 | 15.70 | 57.15 | 42.20 | 58.70 | 63.50 | 15.70 | 88.90 | |||
| 1½ | 5.000 | 1.610 | 0.690 | 2.440 | 1.900 | 2.560 | 2.880 | 4 | 0.620 | 3.880 | 1.72 |
| 127.0 | 40.90 | 17.50 | 62.00 | 48.30 | 65.00 | 73.15 | 15.70 | 98.60 | |||
| 2 | 6.000 | 2.070 | 0.750 | 2.500 | 2.380 | 3.060 | 3.620 | 4 | 0.750 | 4.750 | 2.58 |
| 152.4 | 52.60 | 19.10 | 63.50 | 60.45 | 77.70 | 91.90 | 19.10 | 120.7 | |||
| 2½ | 7.000 | 2.470 | 0.880 | 2.750 | 2.880 | 3.560 | 4.120 | 4 | 0.750 | 5.500 | 4.11 |
| 177.8 | 62.70 | 22.40 | 69.85 | 73.15 | 90.40 | 104.6 | 19.10 | 139.7 | |||
| 3 | 7.500 | 3.070 | 0.940 | 2.750 | 3.500 | 4.250 | 5.000 | 4 | 0.750 | 6.000 | 4.92 |
| 190.5 | 78.00 | 23.90 | 69.85 | 88.90 | 108.0 | 127.0 | 19.10 | 152.4 | |||
| 3½ | 8.500 | 3.550 | 0.940 | 2.810 | 4.000 | 4.810 | 5.500 | 8 | 0.750 | 7.000 | 6.08 |
| 215.9 | 90.20 | 23.90 | 71.40 | 101.6 | 122.2 | 139.7 | 19.10 | 177.8 | |||
| 4 | 9.000 | 4.030 | 0.940 | 3.000 | 4.500 | 5.310 | 6.190 | 8 | 0.750 | 7.500 | 6.84 |
| 228.6 | 102.4 | 23.90 | 76.20 | 114.3 | 134.9 | 157.2 | 19.10 | 190.5 | |||
| 5 | 10.00 | 5.050 | 0.940 | 3.500 | 5.560 | 6.440 | 7.310 | 8 | 0.880 | 8.500 | 8.56 |
| 254.0 | 128.3 | 23.90 | 88.90 | 141.2 | 163.6 | 185.7 | 22.40 | 215.9 | |||
| 6 | 11.00 | 6.070 | 1.000 | 3.500 | 6.630 | 7.560 | 8.500 | 8 | 0.880 | 9.500 | 10.6 |
| 279.4 | 154.2 | 25.4 | 88.90 | 168.4 | 192.0 | 215.9 | 22.40 | 241.3 | |||
| 8 | 13.50 | 7.980 | 1.120 | 4.000 | 8.630 | 9.690 | 10.62 | 8 | 0.880 | 11.75 | 17.6 |
| 342.9 | 202.7 | 28.40 | 101.6 | 219.2 | 246.1 | 269.7 | 22.40 | 298.5 | |||
| 10 | 16.00 | 10.02 | 1.190 | 4.000 | 10.75 | 12.00 | 12.75 | 12 | 1.000 | 14.25 | 24.0 |
| 406.4 | 254.5 | 30.20 | 101.6 | 273.0 | 304.8 | 323.8 | 25.40 | 362.0 | |||
| 12 | 19.00 | 12.00 | 1.250 | 4.500 | 12.75 | 14.38 | 15.00 | 12 | 1.000 | 17.00 | 36.5 |
| 482.6 | 304.8 | 31.75 | 114.3 | 323.8 | 365.3 | 381.0 | 25.40 | 431.8 | |||
| 14 | 21.00 | 1.380 | 5.000 | 14.00 | 15.75 | 16.25 | 12 | 1.120 | 18.75 | 48.4 | |
| 533.4 | 35.10 | 127.0 | 355.6 | 400.1 | 412.7 | 28.40 | 476.3 | ||||
| 16 | 23.50 | 1.440 | 5.000 | 16.00 | 18.00 | 18.50 | 16 | 1.120 | 21.25 | 60.6 | |
| 596.9 | 36.60 | 127.0 | 406.4 | 475.2 | 469.9 | 28.40 | 539.8 | ||||
| 18 | 25.00 | 1.560 | 5.500 | 18.00 | 19.88 | 21.00 | 16 | 1.250 | 22.75 | 68.3 | |
| 635.0 | 39.60 | 139.7 | 457.2 | 505.0 | 533.4 | 31.75 | 577.9 | ||||
| 20 | 27.50 | 1.690 | 5.690 | 20.00 | 22.00 | 23.00 | 20 | 1.250 | 25.00 | 84.5 | |
| 698.5 | 42.90 | 144.5 | 508.0 | 558.8 | 584.2 | 31.75 | 635 | ||||
| 24 | 32.00 | 1.880 | 6.000 | 24.00 | 26.12 | 27.25 | 20 | 1.380 | 29.50 | 115 | |
| 812.8 | 47.80 | 152.4 | 609.6 | 663.4 | 692.1 | 35.10 | 749.3 |
Get a Quote Now
We offer butt-welded pipe fittings, steel pipes, and flanges in various materials and specifications to meet diverse pipeline engineering requirements. Our experienced technical team provides effective solutions tailored to your specific needs. Contact us today for a quote and consultation!

-6-1024x1024.webp)
-4-1024x1024.webp)
-2-1024x1024.webp)
-1-1024x1024.webp)
-5-1024x1024.webp)
-6.webp)
-4.webp)
-2.webp)
-1.webp)
-5.webp)
-7-1024x943.webp)
-3-1024x711.webp)
-8-1024x683.webp)