Socket weld flanges are flanges where the pipe end is inserted into the stepped flange ring and welded. They are categorized into necked and non-necked types. Necked flanges offer superior rigidity, minimal welding distortion, and enhanced sealing performance, making them suitable for pressure ranges of 1.0 to 10.0 MPa. Type B flanges for vessels also fall under socket weld flanges and are applicable in scenarios requiring high sealing standards. During design, socket weld flanges may be verified as integral flanges.
- Materia: ASTM / ASME A/SA 105 ASTM / ASME A 350 , ASTM A 181 LF 2 / A516 Gr.70 A36, A694 F42, F46, F52, F60, F65, F706
- Size: 1/2″ (15 NB) to 48″ (1200NB)
- Flange Face Type : Flate Face (FF), Raised Face (RF), Ring Type Joint (RTJ)
Introduction
Socket weld flanges are widely used in various industrial piping systems, offering high strength and excellent sealing performance. Depending on application requirements, materials can be selected from multiple high-quality alloy steels to ensure the flanges’ pressure resistance and corrosion resistance in different operating environments. Common materials include ASTM A/SA 105, A350, A181 LF2, and others, suitable for diverse pressure and temperature conditions.
Sizes range from 1/2″ (15 NB) to 48″ (1200 NB), accommodating diverse pipeline system requirements. Flange face types include flat face (FF), raised face (RF), and ring joint (RTJ), offering flexible installation options. The socket weld design minimizes deformation during welding and ensures structural stability. Suitable for pressure ratings of 1.0 to 10.0 MPa, these flanges are widely used in high-pressure pipelines and applications requiring stringent sealing in industries such as petroleum, natural gas, and power generation.
What is the ASTM/ASME B16.5 standard?
The ASTM B16.5 standard defines design requirements for pipe flanges and flanged pipe fittings, covering
pressure-temperature ratings, materials, dimensions, tolerances, marking methods, testing, and orifice identification. This standard applies to sizes ranging from NPS½ to NPS24 and specifies multiple pressure classes (CLASS 150, 300, 400, 600, 900, 1500, 2500).
The design encompasses flanges and flanged pipe fittings manufactured from castings, forgings, and plate stock, suitable for high-pressure and high-temperature applications in diverse piping systems. The standard provides specific provisions for metric and imperial units and clarifies the notation for flange bolt hole diameters.
Specifications
| Size Range | 1/2” – 3” / DN15 – DN80 |
| Pressure Rating | Class 150, 300, 600,1500 |
| Standard | ASME B16.5 |
| Carbon Steel | ASTM A105, 20# |
| Low-Temperature Steel | ASTM A350 LF2, 16Mn |
| Pipeline Steel | ASTM A694 F42 / 46 / 56 / 60 / 65 |
| Alloy Steel | ASTM A182 F11 / 12 / 5 / 9 / 91 / 92 |
| Stainless Steel | ASTM A182 F304/304L/304H, 316/316L, 310S, 317,347,904L |
| Duplex Stainless Steel | ASTM A182 F51, F53, F44 |
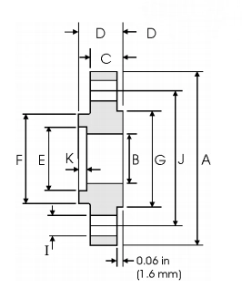
Class 150 lb Socket Weld Flange Dimensions

| NPS | A | B | C | D | E | K | F | G | H | I | J | W |
| inch | inch | inch | inch | inch | inch | inch | inch | No. of Holes | inch | inch | kg/pc | |
| mm | mm | mm | mm | mm | mm | mm | mm | mm | mm | |||
| 1/2 | 3.5 | 0.62 | 0.44 | 0.62 | 0.88 | 0.38 | 1.19 | 1.38 | 4 | 0.62 | 2.38 | 0.42 |
| 88.9 | 15.7 | 11.2 | 15.7 | 22.4 | 9.6 | 30.2 | 35.1 | 15.7 | 60.45 | |||
| 3/4 | 3.88 | 0.82 | 0.5 | 0.62 | 1.09 | 0.44 | 1.5 | 1.69 | 4 | 0.62 | 2.75 | 0.59 |
| 98.6 | 20.8 | 12.7 | 15.7 | 27.7 | 11.1 | 38.1 | 42.9 | 15.7 | 69.85 | |||
| 1 | 4.25 | 1.05 | 0.56 | 0.69 | 1.36 | 0.50 | 1.94 | 2.0 | 4 | 0.62 | 3.120 | 0.81 |
| 108 | 26.7 | 14.2 | 17.5 | 34.5 | 12.70 | 49.3 | 50.8 | 15.7 | 79.25 | |||
| 1¼ | 4.62 | 1.38 | 0.62 | 0.81 | 1.7 | 0.56 | 2.31 | 2.5 | 4 | 0.62 | 3.5 | 1.07 |
| 117.3 | 35.1 | 15.7 | 20.6 | 43.2 | 14.2 | 58.7 | 63.5 | 15.7 | 88.9 | |||
| 1½ | 5.0 | 1.61 | 0.69 | 0.88 | 1.95 | 0.62 | 2.56 | 2.88 | 4 | 0.62 | 3.88 | 1.36 |
| 127 | 40.9 | 17.5 | 22.3 | 49.5 | 15.7 | 65.0 | 73.15 | 15.7 | 98.6 | |||
| 2 | 6.0 | 2.07 | 0.75 | 1.0 | 2.44 | 0.69 | 3.06 | 3.62 | 4 | 0.75 | 4.75 | 2.10 |
| 152.4 | 52.6 | 19.1 | 25.4 | 62.0 | 17.5 | 77.7 | 91.9 | 19.1 | 120.7 | |||
| 2½ | 7.0 | 2.47 | 0.88 | 1.12 | 2.94 | 0.75 | 3.56 | 4.12 | 4 | 0.75 | 5.5 | 3.33 |
| 177.8 | 62.7 | 22.4 | 28.4 | 74.7 | 19.0 | 90.4 | 104.6 | 19.1 | 139.7 | |||
| 3 | 7.5 | 3.07 | 0.94 | 1.19 | 3.57 | 0.81 | 4.25 | 5.0 | 4 | 0.75 | 6.0 | 3.90 |
| 190.5 | 78.0 | 23.9 | 30.2 | 90.7 | 20.6 | 108. | 127 | 19.1 | 152.4 |
Get a Quote Now
We offer butt-welded pipe fittings, steel pipes, and flanges in various materials and specifications to meet diverse pipeline engineering requirements. Our experienced technical team provides effective solutions tailored to your specific needs. Contact us today for a quote and consultation!

-7-1024x1024.webp)
-1-1024x967.webp)
-2-1024x977.webp)
-4-1024x867.webp)
-3-1024x665.webp)
-7.webp)
-1.webp)
-2.webp)
-4.webp)
-3.webp)
-6-1024x769.webp)
-5-1024x1024.webp)