Blind pipe flanges are flanges without a central bore, primarily used to seal the ends of pipes or equipment interfaces. They serve to isolate media, facilitate system maintenance, pressure testing, and future expansion. These flanges are widely used in petroleum, chemical, power generation, natural gas, shipbuilding, and industrial piping systems, especially in applications requiring temporary or permanent sealing.
- Materia: ASTM / ASME A/SA 105 ASTM / ASME A 350 , ASTM A 181 LF 2 / A516 Gr.70 A36, A694 F42, F46, F52, F60, F65, F706
- Size: 1/2″ (15 NB) to 48″ (1200NB)
- Flange Face Type : Flate Face (FF), Raised Face (RF), Ring Type Joint (RTJ)
Introduction
Blind pipe flanges are typically manufactured from carbon steel, stainless steel, or alloy steel, possessing high strength, strong pressure resistance, and reliable sealing performance. They can be manufactured according to international and industry standards such as ANSI, ASME, DIN, EN, and GB, based on project requirements. When used in conjunction with gaskets and fasteners, blind flanges effectively prevent media leakage, ensuring the safety and stability of system operation.
DHX provides a one-stop piping solution, from product selection and engineering design support to manufacturing and delivery. We offer professional and efficient services to meet the needs of various working conditions and projects. Please feel free to contact us for more product information and technical support.
Class 150 lb Blind Flange Specification
| Sealing Surface | Convex (RF), Flat (FF) |
| Size Range | 1/2” – 48” / DN15 – DN1200 |
| Pressure Rating | Class 150, 300, 600, 900, 1500, 2500lb |
| Standard | ASME B16.5, ASME B16.47 Series A/B |
| Carbon Steel | ASTM A105, 20# |
| Cryogenic Steel | ASTM A350 LF2, 16Mn |
| Pipeline Steel | ASTM A694 F42 / 46 / 56 / 60 / 65 |
| Alloy Steel | ASTM A182 F11 / 12 / 5 / 9 / 91 / 92 |
| Stainless Steel | ASTM A182 F304/304L/304H, 316/316L, 310S, 317, 347, 904L |
| Duplex Stainless Steel | ASTM A182 F51, F53, F44 |
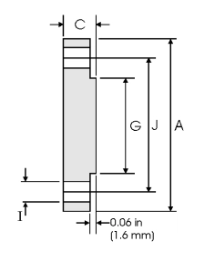
Class 150 lb Blind Flange Dimensions

| NPS | A | C | G | H | I | J | W |
| inch | inch | inch | No. of holes | inch | inch | kg/pc | |
| mm | mm | mm | mm | mm | |||
| 1/2 | 3.500 | 0.440 | 1.380 | 4 | 0.620 | 2.380 | 0.42 |
| 88.90 | 11.20 | 35.10 | 15.70 | 60.45 | |||
| 3/4 | 3.880 | 0.500 | 1.690 | 4 | 0.620 | 2.750 | 0.61 |
| 98.60 | 12.70 | 42.90 | 15.70 | 69.85 | |||
| 1 | 4.250 | 0.560 | 2.000 | 4 | 0.620 | 3.120 | 0.86 |
| 108.0 | 14.20 | 50.80 | 15.70 | 79.25 | |||
| 1¼ | 4.620 | 0.620 | 2.500 | 4 | 0.620 | 3.500 | 1.17 |
| 117.3 | 15.70 | 63.50 | 15.70 | 88.90 | |||
| 1½ | 5.000 | 0.690 | 2.880 | 4 | 0.620 | 3.880 | 1.53 |
| 127.0 | 17.50 | 73.15 | 15.70 | 98.60 | |||
| 2 | 6.000 | 0.750 | 3.620 | 4 | 0.750 | 4.750 | 2.42 |
| 152.4 | 19.10 | 91.90 | 19.10 | 120.7 | |||
| 2½ | 7.000 | 0.880 | 4.120 | 4 | 0.750 | 5.500 | 3.94 |
| 177.8 | 22.40 | 104.6 | 19.10 | 139.7 | |||
| 3 | 7.500 | 0.940 | 5.000 | 4 | 0.750 | 6.000 | 4.93 |
| 190.5 | 23.90 | 127.0 | 19.10 | 152.4 | |||
| 3½ | 8.500 | 0.940 | 5.500 | 8 | 0.750 | 7.000 | 6.17 |
| 215.9 | 23.90 | 139.7 | 19.10 | 177.8 | |||
| 4 | 9.000 | 0.940 | 6.190 | 8 | 0.750 | 7.500 | 7.00 |
| 228.6 | 23.90 | 157.2 | 19.10 | 190.5 | |||
| 5 | 10.00 | 0.940 | 7.310 | 8 | 0.880 | 8.500 | 8.63 |
| 254.0 | 23.90 | 185.7 | 22.40 | 215.9 | |||
| 6 | 11.00 | 1.000 | 8.500 | 8 | 0.880 | 9.500 | 11.3 |
| 279.4 | 25.40 | 215.9 | 22.40 | 241.3 | |||
| 8 | 13.50 | 1.120 | 10.62 | 8 | 0.880 | 11.75 | 19.6 |
| 342.9 | 28.40 | 269.7 | 22.40 | 298.5 | |||
| 10 | 16.00 | 1.190 | 12.75 | 12 | 1.000 | 14.25 | 28.8 |
| 406.4 | 30.20 | 323.9 | 25.40 | 362.0 | |||
| 12 | 19.00 | 1.250 | 15.00 | 12 | 1.000 | 17.00 | 43.2 |
| 482.6 | 31.75 | 381.0 | 25.40 | 431.8 | |||
| 14 | 21.00 | 1.380 | 16.25 | 12 | 1.120 | 18.75 | 58.1 |
| 533.4 | 35.10 | 412.8 | 28.40 | 476.3 | |||
| 16 | 23.50 | 1.440 | 18.50 | 16 | 1.120 | 21.25 | 76.0 |
| 596.9 | 36.60 | 469.9 | 28.40 | 539.8 | |||
| 18 | 25.00 | 1.560 | 21.00 | 16 | 1.250 | 22.75 | 93.7 |
| 635.0 | 39.60 | 533.4 | 31.75 | 577.9 | |||
| 20 | 27.50 | 1.690 | 23.00 | 20 | 1.250 | 25.00 | 122 |
| 698.5 | 42.90 | 584.2 | 31.75 | 635.0 | |||
| 24 | 32.00 | 1.880 | 27.25 | 20 | 1.380 | 29.50 | 185 |
| 812.8 | 47.80 | 692.2 | 35.10 | 749.3 |
Get a Quote Now
We offer butt-welded pipe fittings, steel pipes, and flanges in various materials and specifications to meet diverse pipeline engineering requirements. Our experienced technical team provides effective solutions tailored to your specific needs. Contact us today for a quote and consultation!










